
Die Qualität von Pulverlacken hängt maßgeblich von der definierten Partikelgrößenverteilung, hohen Abscheideleistung und minimalen Verlusten im Mahlsystem ab. Graf Anlagen bieten diese Voraussetzungen: effizient, reproduzierbar und zuverlässig für industrielle Anwendungen.
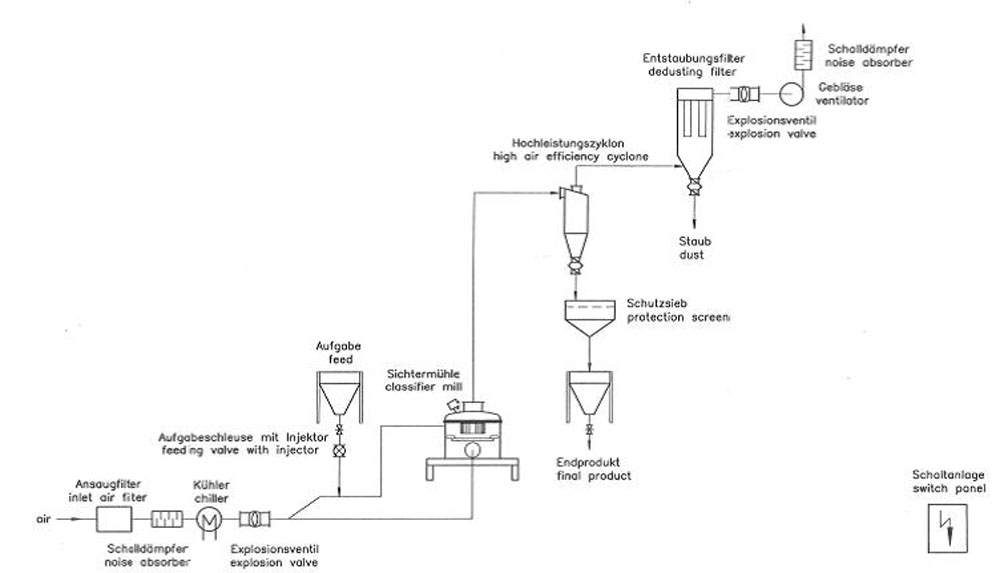
Sichtermühle MS: bewährtes Standardsystem für Pulverproduktion.
Fließbett-Gegenstrahlmühle (MFG): für extrem feine Pulverqualitäten (< 10 µm) im Bereich Dünnschicht-Pulverlacke.
Nachrüstlösung Taktschleusen: ersetzt Zellenradschleusen, reduziert Fehlluft, senkt Materialverlust und Reinigungsaufwand.
beschichtung
optimieren?
bis zur schlüsselfertigen Anlage – effizient, präzise, nachhaltig
.